
針對當前嚴峻的電磁環境,從原理圖設計、PCB設計、元器件選型、系統布線、系統接地等方面逐步分析了電磁干擾的來源,總結了電磁兼容設計的要點。
目前,日益惡化的電磁環境使我們逐漸關注設備的工作環境和電磁環境對電子設備的影響,從設計開始,整合電磁兼容設計,使電子設備工作更加可靠。
電磁兼容性設計主要包括浪涌(沖擊)抗擾性、振鈴波浪涌抗擾性、電快速瞬變脈沖群抗擾性、電壓暫降、短時中斷和電壓變化抗擾性、工頻電源諧波抗擾性、靜電抗擾性、射頻電磁場輻射抗擾性、工頻磁場抗擾性、脈沖磁場抗擾性、傳導騷擾、輻射騷擾、射頻場感應傳導抗擾性等。
主要形式的電磁干擾:
電磁干擾主要通過傳導和輻射進入系統,影響系統工作,其他方法包括共阻抗耦合和感應耦合。
傳導:傳導耦合是指通過導電媒體將一個電網上的騷擾耦合到另一個電網上,這是一個較低部分(低于30mHz)。傳導耦合通常包括電源線、信號線、互連線、接地導體等。
輻射:通過空間將一個電網上的騷擾耦合到另一個電網上,這是一個更頻繁的部分(超過30MHz)。輻射通過空間傳輸,引入和產生的輻射干擾主要是由各種導線形成的天線效應。
共阻抗耦合:當兩個以上不同電路的電流通過公共阻抗時,它們會相互干擾。通過這種方式在電源線和接地導體上的騷擾電流引入敏感電路。
感應耦合:通過互感原理,將電信號傳輸到一個電路中,感應到另一個電路對其造成干擾。分為電感應和磁感應。
對于這些方式的干擾,我們應該采取相應的對策:過濾器(如我們設計的每個IC的標題電容器),減少天線效應(如接近地線的信號)。屏蔽和接地等措施可以大大提高產品抵抗電磁干擾的能力,也可以有效地減少外部電磁干擾。
電磁兼容設計:
對于新項目的研發設計過程,電磁兼容設計需要貫穿整個過程。考慮到設計中的電磁兼容設計,不會返工,避免重復研發,可以縮短整個產品的上市時間,提高企業的效率。
一個項目需要通過需求分析,從研發到投放市場。項目審批。項目總結設計。項目詳細設計。樣品試驗。功能測試。電磁兼容性測試。項目生產。投放市場等階段。
在需求分析階段,應進行產品市場分析。現場研究,挖掘項目有用信息,整合項目發展前景,詳細整理項目產品工作環境,現場調查安裝位置,安裝空間是否有限,工作環境是否特殊,是否有腐蝕。濕度。高溫等,周圍設備的工作,是否有惡劣的電磁環境,是否有限等設備,產品開發的成功是否能大大提高生產效率,或者是否能給人們的生活或工作環境帶來極大的便利,操作和使用是否容易被人們接受,這就要求項目產品滿足現場功能的需要。操作方便,最后整理詳細的需求分析報告,供需求評估。
經企業內部相關負責人審核后,完善需求分析報告,然后進行項目審批。項目審批需要成立項目組,將軟件、硬件、結構、測試等人員安排到項目組,分配各自的職責。項目開發的下一階段是項目總體設計,將項目分解成多個功能模塊,利用WBS分解結構細化項目功能分解,根據工作量安排時間,安排具體人員。整理項目總體設計報告,對項目進行總體評價,確定電源類型、電源分布、電源隔離濾波模式、系統接地模式、產品屏蔽、產品結構屏蔽設計、屏蔽底盤外殼、信號類型分析、雷電、靜電、群脈沖等干擾。
產品概要設計報告出來后,應由相關人員進行評審,分析實施方法是否合理,實施方案是否可行。評審人員應提供評審報告。項目組結合評審報告修改概要設計后,進入產品詳細設計階段。本階段的內容包括原理圖設計。PCB設計。PCB采購和焊接。軟件編寫。功能調試,原理圖設計應考慮電磁兼容性的影響,增加板電源的濾波電容,增加信號接口部分的濾波電路,根據信號類型選擇合適的濾波電路。如果信號為低頻型號,應選擇低通濾波電路,計算適當的截止頻率,并選擇相應的電阻。電容器等。此外,接口部分設計了大電流泄漏電路和防雷裝置,以實現第三級防雷。
一、組件選型:
我們常用的電子設備主要包括有源設備和無源設備。有源設備主要指IC和模塊電路,無源設備主要指電阻、電容、電感等元件。以下是這兩種組件的選擇。介紹電磁兼容性中應考慮的問題。
EMC選型有源器件。
工作電壓寬的EMC具有良好的特性,工作電壓低的EMC具有良好的特性,在設計允許的范圍內延遲較大(通常速度較慢),靜態電流較小,功耗較小,貼片包裝設備的EMC性能優于插件設備。
無源設備選型。
在我們的應用中,無源設備通常包括電阻、電容、電感等,對于無源設備的選擇,要注意這些元件的頻率特性和分布參數。
無源設備在某些頻率下會表現出不同的特性。有些電阻在高頻時具有電感特性,如線繞電阻、電解電容低頻特性好、高頻特性差、膜電容和瓷電容高頻特性好,但容量通常較小。考慮到溫度對部件的影響,根據設計原理選擇各種溫度特性的部件。
二、印刷板設計:
印刷板設計時,應考慮干擾對系統的影響,嚴格分離電路模擬部分和數字部分的電路,重點保護核心電路,包圍系統接地線,布線盡可能粗,電源增加濾波電路,采用DC-DC隔離,信號采用光電隔離,設計隔離電源,分析容易干擾的部分(如時鐘電路、通信電路等)和容易干擾的部分(如模擬采樣電路等)。對干擾元件采取抑制措施,對敏感元件采取隔離和保護措施,并在空間和電氣上拉開距離。在板級設計中,還應注意遠離印刷板邊緣的元件放置,有利于保護空氣放電。
采樣電路原理圖設計見圖1:
圖1.采樣電路設計
電路的合理布局可以減少干擾,提高電磁兼容性。根據電路的功能,分析各模塊的干擾源和敏感信號,進行特殊處理。
印刷板布線時,應注意以下幾個方面:
1.保持環路面積最小,如電源與地面之間形成的環路,減少環路面積,減少電磁干擾在電路上的感應電流,電源線盡可能靠近地線,減少模具差輻射的環路面積,減少干擾對系統的影響,提高系統的抗干擾性能。并聯導線緊密放置在一起,用粗導線連接,信號線靠近地平面布線可以減少干擾。在電源和地面之間增加高頻濾波器電容器。
2.盡量縮短導線長度,減少印刷板面積,減少導線干擾。
3.采用完整的地平面設計,采用多層板設計,鋪設地層,方便干擾信號泄漏。
4.遠離機箱面板、把手、螺釘等可能放電的電子元件,保持外殼與地面的良好接觸,為干擾提供良好的排放通道。處理敏感信號,減少干擾。
5.盡量使用貼片組件,貼片組件的電磁兼容性比直接插件要好得多。
6.在PCB與外界的連接處模擬和數字接地。
7.高速邏輯電路應靠近連接器邊緣,低速邏輯電路和存儲器應布置在遠離連接器的地方,中速邏輯電路應布置在高速邏輯電路和低速邏輯電路之間。
8.電路板上的印刷線寬度不得突變,拐角應為弧形,不得為直角或尖角。
9.時鐘線.信號線盡量靠近地線,線路不宜過長,以減少回路的環面積。
三、系統布線設計
印制板設計出來后,進行試制,焊接調試,系統裝機,考慮電磁兼容設計因素,機柜結構、線纜設計需要注意以下幾個方面:
1、機柜選用電磁屏蔽柜,具有良好的屏蔽性能,很好地對系統進行屏蔽,降低外界電磁干擾對系統的影響。
2、總電源進線選用屏蔽電源線,并加磁環,屏蔽層在進入機柜處360度接地。
3、對系統外部信號線選用屏蔽線,屏蔽層機柜入口處良好接地。
4、設備外殼就近接機柜,避免交叉。
5、系統設置隔離變壓器和ups,保證系統供應純凈電源。
6、嚴格將電源線和信號線分開,設備外殼的各個面之間和各個板子面板之間要良好接觸,接觸電阻要小于0.4歐,越小越好,保證設備外殼良好接大地,這樣在有靜電釋放時,不會影響到系統的正常工作。
四、系統接地設計
接地是最有效的抑制騷擾源的方法,可解決50%的EMC問題。系統基準地與大地相連,可抑制電磁騷擾。外殼金屬件直接接大地,還可以提供靜電電荷的泄漏通路,防止靜電積累。
1、地線的概念
安全接地包括保護接地和防雷接地。
保護接地為產品的故障電流進入大地提供一個低阻抗通道;
防雷接地提供泄放大電流的通路;
參考接地為產品穩定可靠工作提供參考電平,為電源和信號提供基準電位。
安全接地是為了當出現一些電氣異常時,為大電流和高電壓提供一個泄放的回路,主要是對電路的一種保護措施。參考地主要是信號地和電源地,是保證電路實現功能的基礎。
2、接地方式
懸浮接地對一個獨立的與外部沒有接口的系統來說一般也沒有什么問題,但是如果該系統與其他的系統之間存著接口如通訊口和采樣線,那么懸浮接地很容易受到靜電和雷擊的影響,所以一般電子產品大多不采用懸浮接地。
單點接地當f《1MHz時可以選擇單點接地,可分為并聯單點接地和多級電路串聯單點接地兩種。
并聯單點接地:每個電路模塊都接到一個單點地上,每個單元在同一點與參考點相連。
多級電路的串聯單點接地:將具有類似特性的電路的地連接在一起,形成一個公共點,然后將每一個公共點連接到單點地。
多點接地當f》10MHz時會采用多點接地。設備中的電路都就近以接地母線為參考點。
單點接地各電路接在同一點,提供公共電位參考點,沒有共阻抗耦合和低頻地環路,但對高頻信號存在較大的地阻抗。多點接地為就近接地,每條地線可以很短,提供較低接地阻抗。1MHz~10MHz可根據實際需要選用哪種接地方法。
混合接地是綜合單點接地與多點接地的優點,對系統中的低頻部分采用單點接地,對系統中高頻部分采用多點接地。
信號線屏蔽接地有高頻和低頻之分,高頻采用多點接地,低頻電纜采用單點接地。低頻電場屏蔽要求在接收端單點接地,低頻磁場屏蔽要求在兩端接地。多點接地,除在兩端接地外,并以3/20或1/10工作波長的間隔接地。
系統做到良好接地,才能有效的抑制電磁干擾,一個大的系統機柜首先要保證每個面接觸良好,接觸緊湊,其次是機柜內部設備要就近接地,避免二次干擾,就近泄放電磁干擾。接口屏蔽線要進行環接,再就近接機架。機柜下方設置接地銅排,系統總地線選用銅帶比較好,對電磁干擾進行很好的泄放,保證了系統的正常運行。
電磁兼容測試
系統功能測試,滿足現場功能需要后,進行電磁兼容測試,電磁兼容測試容易出問題是靜電、群脈沖、浪涌、射頻場傳導等
參與了幾個項目的靜電抗擾度檢測,對靜電有一定認識。靜電分為接觸放電和空氣放電,靜電是積累的高壓,當接觸到設備的金屬外殼時會瞬間放電,會影響到電子設備的正常工作,可能引起設備故障或重啟,在安全性要求較好的場合這是不允許的。
靜電會影響顯示效果,可能出現顯示閃爍或黑屏,影響正常顯示和操作。靜電還可能引起CPU工作異常,程序死機或重啟。
如果在產品詳細設計階段采用電磁兼容的相關設計,做靜電試驗不必過分擔心,通過設計,對靜電積累的電荷進行良好的泄放,不會影響系統的正常工作。
電快速瞬變脈沖群是一系列的高頻高壓瞬變脈沖施加在設備上,觀察設備是否受到其影響。防護群脈沖主要的方法是“疏導”“堵”,“疏導”就是提供泄放回路,是干擾在進入系統之前,泄放至大地,良好的屏蔽層接地,可以泄放大部分動干擾,“堵”是使群脈沖濾除在設備之外,增加磁環,效果明顯,封閉磁環的效果好于對扣磁環,也可以將磁環加入到板級中,固定在印制板中,這樣使設備更可靠。
對電源線、信號線、通訊線兩端增加磁環,可以對群脈沖干擾進行防護。
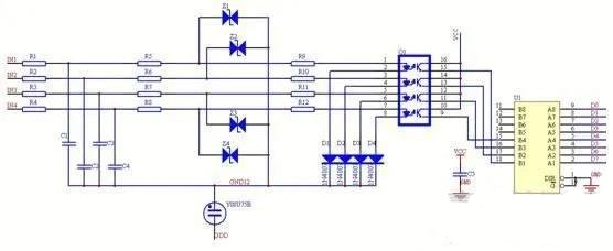
雷擊浪涌主要包含兩個方面,一個是電源防雷,一個是信號防雷。
電源防雷主要是針對系統級而言的,系統級設計要按照三級防雷設計,總電源進入端設置電源防雷(如OBO公司的V20-C/3-PH385),可以對系統的電源進行一級防護,電源經過電源防雷后,進入隔離變壓器,隔離變壓器可以對電磁干擾信號進行較好的防護,抑制其對系統的影響。后進入UPS,UPS可以濾除一部分干擾信號,這樣電源再進入系統設備,電源是一種純凈的電源,可以使系統更好、更可靠的工作。
信號防雷是對系統的信號通路進行防護,主要涉及的是板級設計,在板級設計中增加防雷器件,如氣體放電管,增加TVS泄放回路,當有大電流時通過配套電阻和TVS、氣體放電管泄放,對后級電路起到保護作用。而后信號進行光電隔離,再進入系統,系統可以采集到一個穩定的信號,使系統正常分析判斷,正常發出指令,正常工作。另一方面就是設計較寬的信號范圍,信號正常波動時,系統正常工作。
圖2.系統電源部分設計示例
射感試驗可能會對顯示信號、采集驅動等造成影響,可能使顯示閃爍或黑屏,影響設備操作,可能使采集驅動工作異常,采集不到需要的信號,無法驅動現場設備。
射頻試驗是0.15k~80M頻率范圍內對信號線、電源進行干擾,3級強度是10V/m。
射感防護的原則是將電源、信號線的屏蔽做好,屏蔽層良好接地,選擇合適頻率進行濾波,將干擾濾除。
該測試主要是測試系統的抗射頻信號及整體屏蔽性能,只要系統做好良好的屏蔽,系統地線接地良好,系統就可以通過檢測。
通過相關電磁兼容測試,產品就可以推向市場,進行試運行了,對試運行中出現的問題,進行匯總,以備產品的改進。
電子產品滿足相關的電磁兼容測試標準,通過測試,才可以推向市場,用戶才能放心使用,極大地減小因電磁干擾發生的事故,對企業的效益、產品的推廣起到積極的作用。